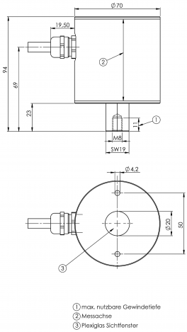
Compact (hol600)

Der ESW ® -Compact dient zur permanenten Maschinenüberwachung. Unerwünschte Schwingungen, welche durch mechanische Defekte oder Unwuchten an der überwachten Maschine auftreten, werden rechtzeitig erkannt.
Mit Hilfe der beiden Alarmrelais können Warneinrichtungen angesprochen werden. Dank dieser Früherkennung wird ein erhöhter Verschleiß mit den damit verbundenen Kosten vermieden und die Lebensdauer verlängert. Auch Produktionsausfälle werden verringert, wodurch eine höhere
Planungssicherheit gewährleistet ist.
Durch den integrierten Sensor, das hochwertige Edelstahlgehäuse sowie die einfache Montage und
Handhabung des ESW ® -Compact ist eine hohe Zuverlässigkeit gesichert. Weitere Ausstattungsmerkmale sind der einstellbare Messbereich, der umschaltbare Analogausgang,
welcher zur Einstellung der Alarm-Grenzwerte genutzt werden kann und die Selbsttest-Funktion.
Optional kann für eines der beiden Relais ein Alarmspeicher aktiviert werden.
Bei allen technischen Anwendungen, bei denen Schwingungen auftreten, stellt der ESW® - Compact (hol600) eine wertvolle Unterstützung dar. Hier einige Beispiele:
• Lüfter, Pumpen und Gebläse
• Rüttler, Dekanter und Separatoren
• Förder- und Transporteinrichtungen
• Antriebe
• Werkzeug-, Bearbeitungs- und Produktionsmaschinen
Betriebsspannung:
24V DC (±5%)
Stromaufnahme:
max. 100mA
Temperaturbereich:
0 bis +65°C
Schutzart:
IP68
Gewicht:
1.290g
Anschlusskabel:
2m, SD 90 C, 7 x 0,34mm², abgeschirmt, Mantelmaterial: PUR min. Biegeradius: 20cm
Messbereich:
0 bis 10 / 0 bis 20 / 0 bis 50mm/s, umschaltbar
Signalbewertung:
RMS
Frequenzbereich:
10Hz bis 1kHz (-3dB)
Schaltausgänge:
zwei potentialfreie Schaltkontakte (30V, 1A)

